E19005A
This item is currently out of stock, to contact us for lead times please reach out to us directly at (216) 631-0912 or email us.
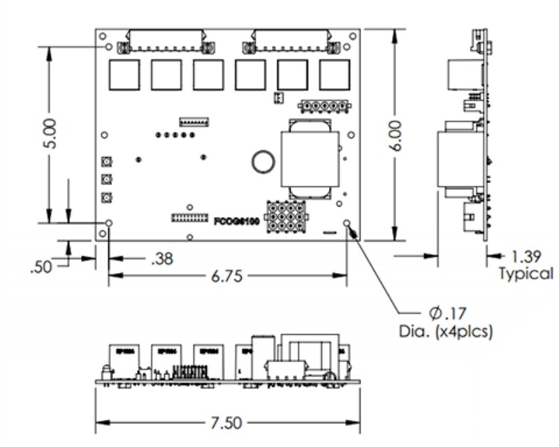
Provides economical and reliable phase-angle control of SCR AC controllers and DC converters operated from three-phase mains. The board features six isolated gate drives, independently configurable soft start/soft stop control inputs, and an analog delay angle command input configurable for a variety of common voltage or current ranges. A variety of current and voltage regulator boards are available in addition to auxiliary firing boards for remote or parallel SCR arrangements.
Industry Standard ASIC-Based Design
Fully Connectorized
Independently Configurable Soft-Start and Soft-Stop
Isolated Gate Drive Circuitry
Phase Loss and Power-On Reset Protection
