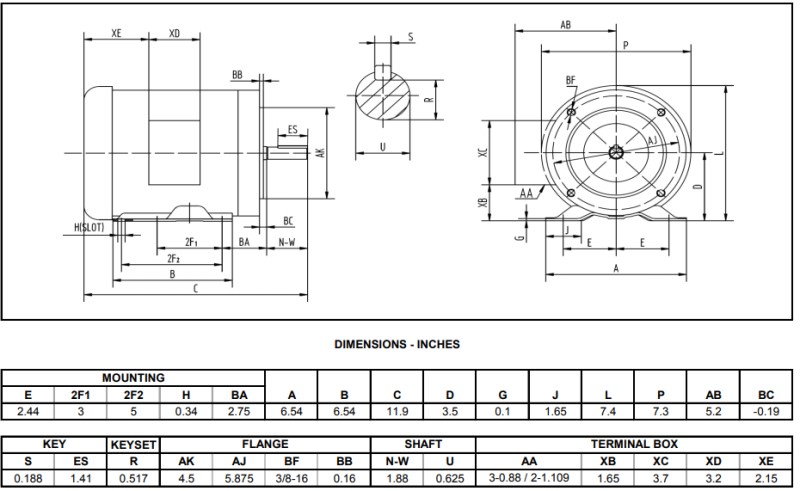
Fan motor
This item is currently out of stock, to contact us for lead times please reach out to us directly at (216) 631-0912 or email us.
HP: 1/3
RPM: 1800
Voltage: 208-220/440
Motor accepts 230/460 VOlt input. Ball bearing, Nema 56 frame, 5/8" shaft.
